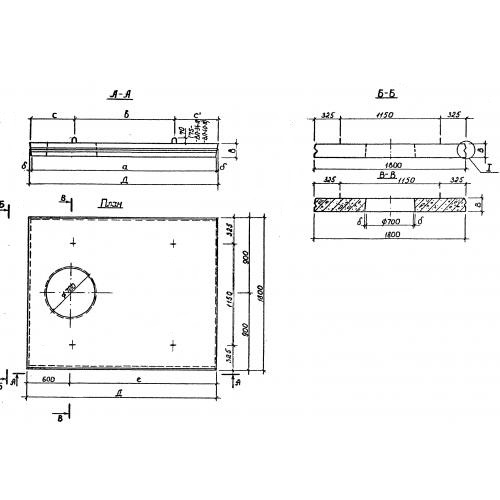
ВП 19

Чертеж изделия:
Характеристики изделия:
ПараметрЗначение
длина1910 мм
ширина1800 мм
высота160 мм
масса1180 кг
нормативный документАльбом РК 2303-86

ВП 19  Верхняя плита (плита перекрытия)  Альбом РК 2303-86.