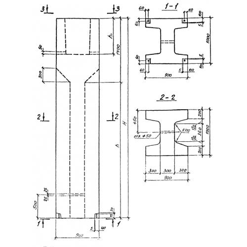
ВБ 9.10.45

Чертеж изделия:
Характеристики изделия:
ПараметрЗначение
длина900 мм
ширина1000 мм
высота4490 мм
вес7710 кг
серия0-221-84

ВБ 9.10.45 Блоки-стаканы верхние по серии 0-221-84.