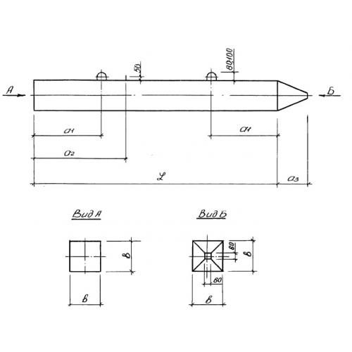
С 9-30

Чертеж изделия:
Характеристики изделия:
ПараметрЗначение
длина9000 мм
ширина300 мм
высота300 мм
масса2050 кг
нормативный документСерия 1.011-1

С 9-30     Сваи цельные сплошного квадратного сечения с ненапрягаемой арматурой, нетрещиностойкие  (Серия 1.011-1).