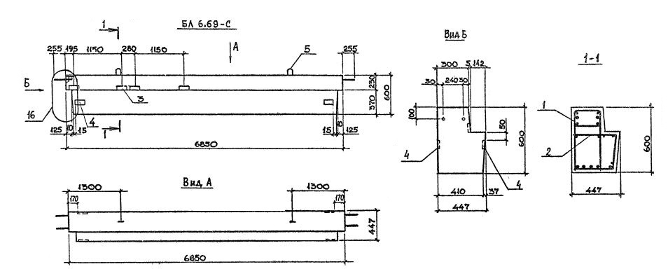
БЛ 6.69

Чертеж изделия:
Характеристики изделия:
ПараметрЗначение
длина6850 мм
ширина447 мм
высота600 мм
масса3800 кг
нормативный документСерия 1.020.1-2с/89

БЛ 6.69  Балки лестничные Серия 1.020.1-2с/89.