2Д 26.42
Характеристики изделия:
| Параметр | Значение |
|---|---|
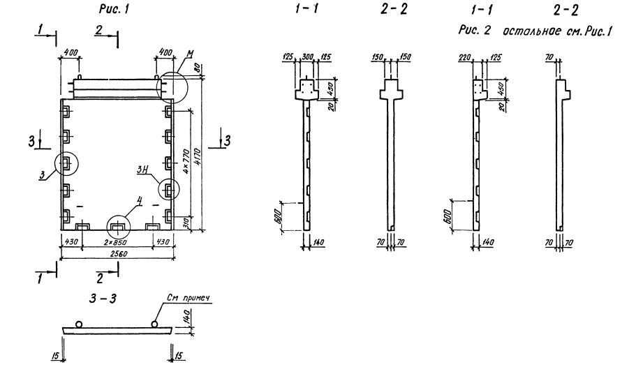
| длина | 2560 мм |
| ширина | 550 мм |
| высота | 4170 мм |
| масса | 4480 кг |
| нормативный документ | Серия 1.020.1-3пв |
Цена:
Рассчитать стоимость2Д 26.42 Диафрагмы жесткости с двумя полками Серия 1.020.1-3пв.
| Параметр | Значение |
|---|---|
| длина | 2560 мм |
| ширина | 550 мм |
| высота | 4170 мм |
| масса | 4480 кг |
| нормативный документ | Серия 1.020.1-3пв |
2Д 26.42 Диафрагмы жесткости с двумя полками Серия 1.020.1-3пв.