3КНО 4.36(48)

Чертеж изделия:
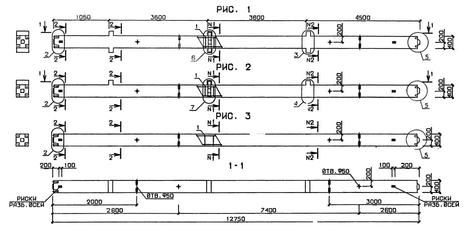
Характеристики изделия:
ПараметрЗначение
длина12750 мм
ширина400 мм
высота550 мм
масса5560 кг
нормативный документСерия 1.020.1-3пв

3КНО 4.36(48)  Колонны нижние одноконсольные Серия 1.020.1-3пв.