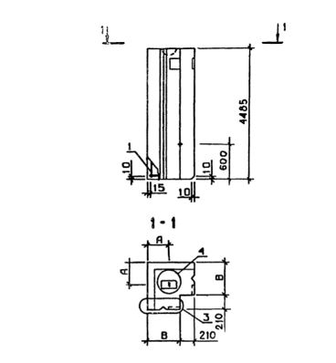
ПСЦ 56.450.35

Чертеж изделия:
Характеристики изделия:
ПараметрЗначение
длина560 мм
ширина4485 мм
высота560 мм
масса1640 кг
нормативный документСерия 1.020.1-3пв

ПСЦ 56.450.35  Панели стеновые цокольные Серия 1.020.1-3пв.