ПСЦ 60.23.35

Чертеж изделия:
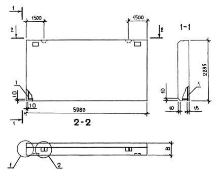
Характеристики изделия:
ПараметрЗначение
длина5980 мм
ширина2285 мм
высота350 мм
масса6350 кг
нормативный документСерия 1.020.1-3пв

ПСЦ 60.23.35  Панели стеновые цокольные Серия 1.020.1-3пв.