ПС 61.210.40 панели стеновые

Чертеж изделия:
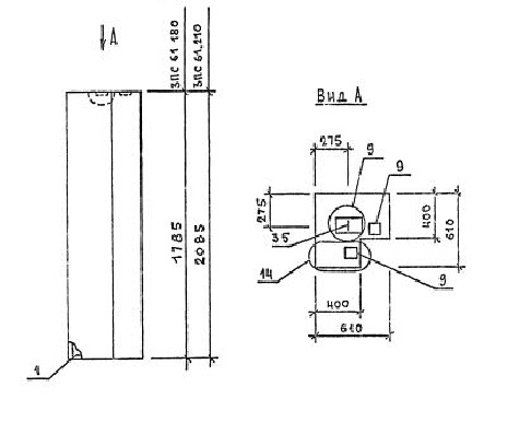
Характеристики изделия:
ПараметрЗначение
длина610 мм
ширина400 мм
высота2085 мм
масса960 кг
нормативный документСерия 1.030.1-1/88

ПС 61.210.40  Панели стеновые Серия 1.030.1-1/88.