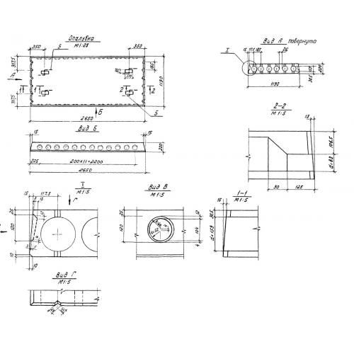
ПК 27.12
Характеристики изделия:
| Параметр | Значение |
|---|---|
| длина | 2650 мм |
| ширина | 1190 мм |
| высота | 220 мм |
| масса | 700 кг |
| нормативный документ | Серия 1.041.1-2 |
Цена:
Рассчитать стоимостьПК 27.12 Пустотные межэтажные плиты перекрытия Серия 1.041.1-2.
| Параметр | Значение |
|---|---|
| длина | 2650 мм |
| ширина | 1190 мм |
| высота | 220 мм |
| масса | 700 кг |
| нормативный документ | Серия 1.041.1-2 |
ПК 27.12 Пустотные межэтажные плиты перекрытия Серия 1.041.1-2.
