4БНУЛ 10.6.50

Чертеж изделия:
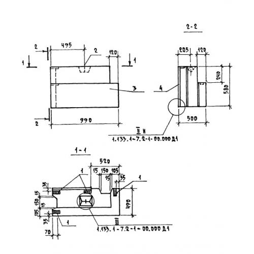
Характеристики изделия:
ПараметрЗначение
длина990 мм
ширина500 мм
высота580 мм
вес270 кг
серия1.133.1-7

4БНУЛ 10.6.50 Блоки поясные угловые лоджий по серии 1.133.1-7.