ПП 6.5
Характеристики изделия:
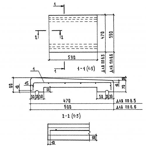
| Параметр | Значение |
|---|---|
| длина | 590 мм |
| ширина | 470 мм |
| высота | 90 мм |
| масса | 43 кг |
| нормативный документ | Серия 1.238-1 |
Цена:
Рассчитать стоимостьПП 6.5 Плиты парапетные Серия 1.238-1.
| Параметр | Значение |
|---|---|
| длина | 590 мм |
| ширина | 470 мм |
| высота | 90 мм |
| масса | 43 кг |
| нормативный документ | Серия 1.238-1 |
ПП 6.5 Плиты парапетные Серия 1.238-1.
