1ЛН 14.2 Накладные проступи

Чертеж изделия:
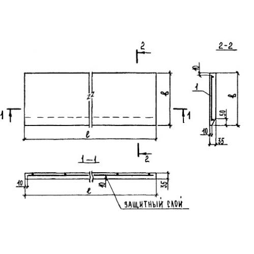
Характеристики изделия:
ПараметрЗначение
длина1350 мм
ширина220 мм
высота35 мм
масса25 кг
нормативный документСерия 1.251.1-4

1ЛН 14.2    Накладные проступи для укладки на нижние и рядовые ступени маршей Серия 1.251.1-4.