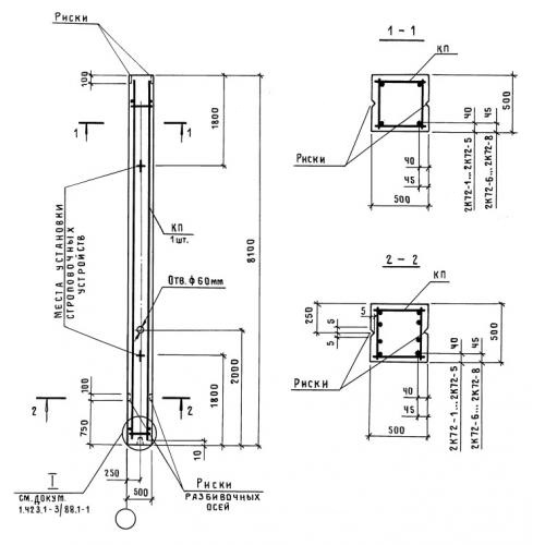
2К 72 колонны

Чертеж изделия:
Характеристики изделия:
ПараметрЗначение
длина8100 мм
ширина500 мм
высота500 мм
масса5100 кг
нормативный документСерия 1.423.1-3/88

2К 72 Колонны Серия 1.423.1-3/88.