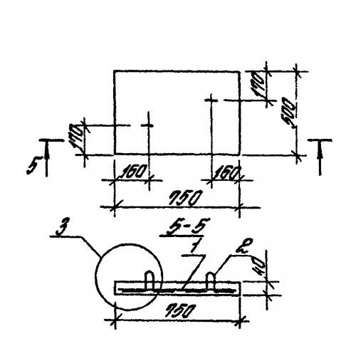
П 1 плита плоская
Характеристики изделия:
| Параметр | Значение |
|---|---|
| длина | 750 мм |
| ширина | 500 мм |
| высота | 40 мм |
| масса | 40 кг |
| нормативный документ | Серия 1.465.4-19 |
Цена:
Рассчитать стоимостьП 1 Плиты плоские Серия 1.465.4-19.
| Параметр | Значение |
|---|---|
| длина | 750 мм |
| ширина | 500 мм |
| высота | 40 мм |
| масса | 40 кг |
| нормативный документ | Серия 1.465.4-19 |
П 1 Плиты плоские Серия 1.465.4-19.
