П 14
Характеристики изделия:
| Параметр | Значение |
|---|---|
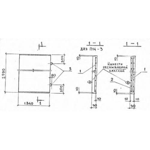
| длина | 2990 мм |
| ширина | 1840 мм |
| высота | 90 мм |
| вес | 1240 кг |
| серия | 3.006-2 |
Цена:
Рассчитать стоимостьП 14 Плиты перекрытия лотков по серии 3.006-2.
| Параметр | Значение |
|---|---|
| длина | 2990 мм |
| ширина | 1840 мм |
| высота | 90 мм |
| вес | 1240 кг |
| серия | 3.006-2 |
П 14 Плиты перекрытия лотков по серии 3.006-2.
