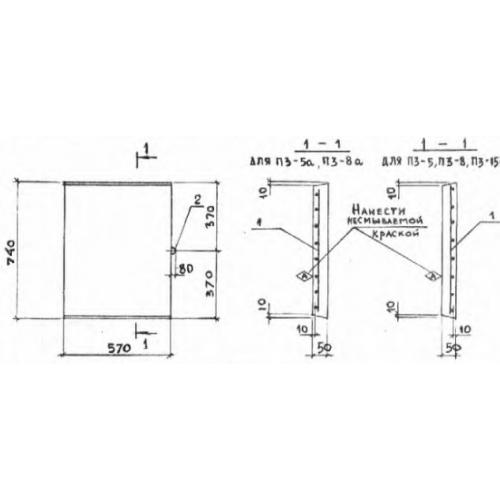
П 3

Чертеж изделия:
Характеристики изделия:
ПараметрЗначение
длина740 мм
ширина570 мм
высота50 мм
масса50 кг
нормативный документСерия 3.006.1-2/82

П 3  Плиты перекрытия лотков Серия 3.006.1-2/82.