ПТО 18

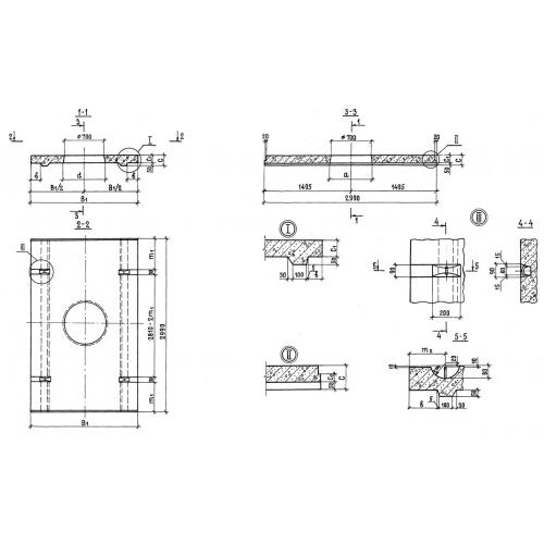
Чертеж изделия:
Характеристики изделия:
ПараметрЗначение
длина2990 мм
ширина2160 мм
высота140 мм
масса2200 кг
нормативный документСерия 3.006.1-3/83

ПТО 18  Плиты перекрытия тоннелей с отверстием Серия 3.006.1-3/83.