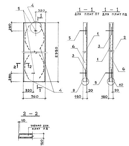
ПД 75.300.16 плиты днища

Чертеж изделия:
Характеристики изделия:
ПараметрЗначение
длина740 мм
ширина2980 мм
высота160 мм
масса880 кг
нормативный документСерия 3.006.1-8

ПД 75.300.16  Плиты днища каналов Серия 3.006.1-8.