ПТ 75.180.16 плиты лотков

Чертеж изделия:
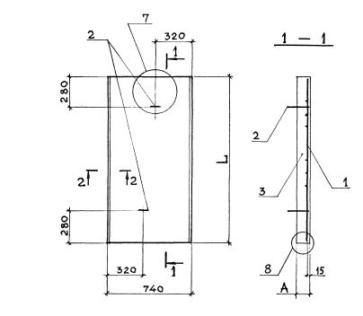
Характеристики изделия:
ПараметрЗначение
длина740 мм
ширина1780 мм
высота160 мм
масса530 кг
нормативный документСерия 3.006.1-8

ПТ 75.180.16  Плиты перекрытий каналов Серия 3.006.1-8.