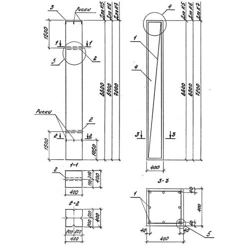
К 6

Чертеж изделия:
Характеристики изделия:
ПараметрЗначение
длина6900 мм
ширина400 мм
высота400 мм
масса2800 кг
нормативный документСерия 3.015-16.94

К 6  Колонны бетонные Серия 3.015-16.94.