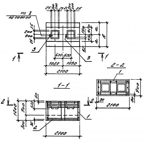
Фм 4
Характеристики изделия:
| Параметр | Значение |
|---|---|
| длина | 2100 мм |
| ширина | 1200 мм |
| высота | 1200 мм |
| масса | 5775 кг |
| нормативный документ | Серия 3.016.1-9 |
Цена:
Рассчитать стоимостьФм 4 Фундаменты монолитные Серия 3.016.1-9.
| Параметр | Значение |
|---|---|
| длина | 2100 мм |
| ширина | 1200 мм |
| высота | 1200 мм |
| масса | 5775 кг |
| нормативный документ | Серия 3.016.1-9 |
Фм 4 Фундаменты монолитные Серия 3.016.1-9.
