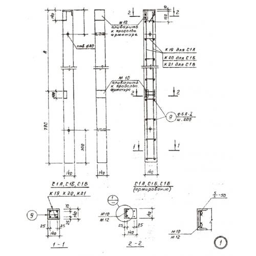
С 1 А столб забора

Чертеж изделия:
Характеристики изделия:
ПараметрЗначение
длина1590 мм
ширина140 мм
высота140 мм
масса80 кг
нормативный документСерия 3.017-1

С 1 А   Столбы оград Серия 3.017-1.