ФП-1

Чертеж изделия:
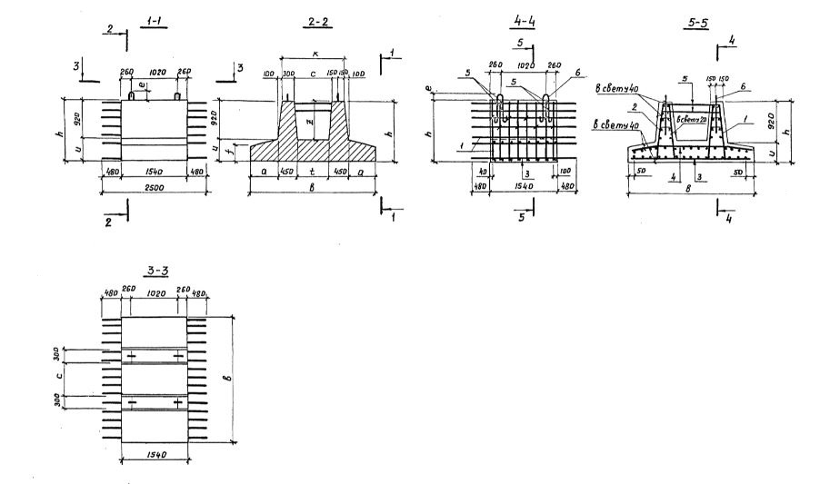
Характеристики изделия:
ПараметрЗначение
длина2500 мм
ширина4000 мм
высота1620 мм
масса12000 кг
нормативный документСерия 3.503.1-57

ФП-1  Блоки фундамента Серия 3.503.1-57.