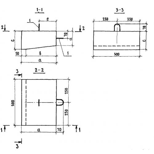
Б 2-20-25 блок

Чертеж изделия:
Характеристики изделия:
ПараметрЗначение
длина500 мм
ширина250 мм
высота200 мм
вес60 кг
серия3.503.1-66

Б 2-20-25  Прикромочные блоки бетонные по серии 3.503.1-66.