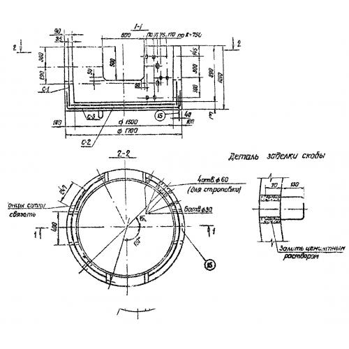
КСД 15-2

Чертеж изделия:
Характеристики изделия:
ПараметрЗначение
длина1680 мм
ширина1680 мм
высота890 мм
вес1600 кг
серия3.820-9

КСД 15-2 Кольца колодцев стеновые с днищем по серии 3.820-9.