П 38-21

Чертеж изделия:
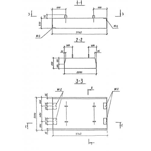
Характеристики изделия:
ПараметрЗначение
длина3760 мм
ширина2080 мм
высота220 мм
масса4300 кг
нормативный документСерия 3.903 КЛ-13

П 38-21  Плиты перекрытия по Серии 3.903 КЛ-13.