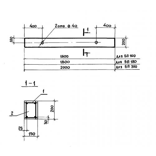
БП

Чертеж изделия:
Характеристики изделия:
ПараметрЗначение
длина11960 мм
ширина700 мм
высота1500 мм
вес12000 кг
СерияПП 01-03/64

БП Подстропильная балка по серии ПП 01-03/64.